一、生产线概述
蜂蜜全自动灌装生产线是专为蜂蜜类高黏度流体设计的自动化生产设备,集成了洗瓶、杀菌、灌装、重量检测剔除、瓶口封膜、理盖、旋盖、贴标、打码、及成品包装输送等全流程功能,可实现从空瓶到成品蜂蜜的自动化作业。设备接触物料部分采用 316 不锈钢,机身金属部分采用304不锈钢材质打造,符合食品卫生标准,具备灌装精度高(误差≤±1%)、生产效率高(每小时产能可达 1200-1500 瓶按500克产品为基准)、操作便捷等特点,适用于玻璃、PET 等不同材质、不同规格(100g-1000g)的蜂蜜瓶灌装生产。
二、生产线工艺流程
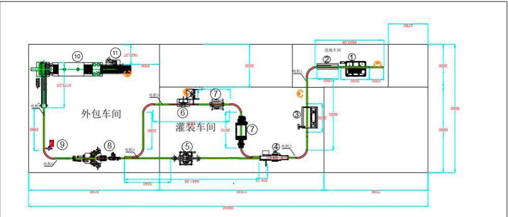
本条蜂蜜全自动灌装生产线是专业为蜂蜜灌装生产设计制造,可以实现从气动吹瓶→ 紫外线杀菌 → 蜂蜜灌装→ 金属检测重量检测剔除 → 瓶口封膜 →瓶口封膜后整形 → 挂盖旋盖 → 自动扣盖→ 人工压盖→ 贴标 →打码 → 薄膜收缩 → 膜包等所有功能。
整线自动运行操做说明
自动运行操作
启动顺序:依次开启输送带→洗瓶机→紫外线杀菌→灌装机→封膜机→整形机→ 旋盖机→贴标机→膜包机→膜包贴标各设备空载运行 3 分钟,观察有无异常噪音或卡顿;
物料导入:打开缓冲储罐出料阀,使蜂蜜进入灌装机料箱,当料箱液位达到设定最高液位,灌装机开始工作
全流程运行:
洗瓶机自动完成空瓶内冲洗,输送至紫外线杀菌机,杀菌后输送至灌装工位;
灌装好的蜂蜜瓶经输送带送至瓶口封膜机,整形机,旋盖机,自动取盖、拧盖
旋盖后的瓶体进入贴标机,完成标签贴标最后由输送线送至封膜贴标区。
三 全自动灌装生产线设备组成清单
|
序号 |
名称 |
型号 |
数量 |
备注 |
|
1 |
罐体气洗线性机 |
HC-GZ-280 |
1台 |
|
|
2 |
紫外线杀菌机 |
HC-XD-180 |
1台 |
|
|
3 |
双头追踪灌装机 |
HC-GZJ-180 |
1台 |
|
|
4 |
集成金属检测仪与检重秤 |
HC-JZYTJ-180 |
1台 |
|
|
5 |
塑料密封罐送盖及放盖机 |
HC-XGJ-180 |
1台 |
|
|
6 |
全自动压盖旋盖机 |
HC-YGJ-120 |
1台 |
|
|
7 |
全自动(六头+三头)罐用铝膜封口机 |
HC-FMJ-180
|
1台 |
|
|
8 |
三头贴标机 |
HC-SMT |
1台 |
|
|
9 |
激光打标机 |
TYMFS-120 |
1台 |
|
|
10 |
热缩膜包装机 |
LC-MB6535 |
1台 |
|
|
11 |
全自动打码机 |
HC-TBJ-120 |
1台 |
|
|
12 |
输送系统套装(包括驱动电机)
|
HC-SSJ-280 |
1台 |
|
四 整线设备布局图
五 适用瓶型(提供样品)



